資料下載:
17EX防爆.pdf
品名:磁致伸縮位移傳感器
品牌:德敏哲 Germanjet
1 7 EX 系列防爆型磁懸浮位移傳感器是嚴格按照國家防爆電氣產品質扯監督檢驗中心G B 3 8 3 6 . 1 - 2 1 0 0《爆炸性環境用第1部分: 設備通用要求》、G B 3 8 3 6 . 4 -2 0 1 0《爆炸性環境第4部分: 由本質安全型"i" 保護的設備》的要求研制、設計、制造。還獲得國家防爆電氣產品質扯監督檢驗中心頒發的防爆合格證。
在產品的性能上是采用非接觸式磁懸浮技術。此技術能提供高精準、高可靠性、穩定性高、直接和絕對值的位移輸出。非接觸式設不但方便安裝, 而且能消除所有工作磨損而帶來的誤差, 無須重新標定, 無須定期維護。電子部份為I P 6 7等級,使電子模塊受到最佳的抗震,防塵和防潮保護。


產品技術參數:

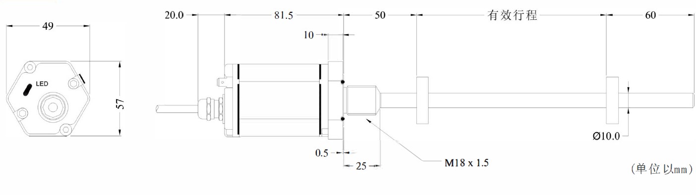
產品尺寸圖:(單位 mm)

產品選型:















管理員
該內容暫無評論