WPS-XL型機座號:11米以上需定制 最大有效行程可達100米;
任何形式,任何安裝方式,只要你需要,我們都可以
線性精度:(通用型)0.25%FS;(精密型)0.05%~0.08%FS;
重復精度:0.002%FS~0.001%FS;
產品型式:電流型(4~20mA;或20~4mA);電壓型(0~10Vdc;或10~0Vdc)
電阻型(0~5kΩ;或0~10 kΩ);脈沖型(一般3600~5000 ppr,incremental)
固定螺絲:M4mm;安裝方式:螺絲
有效壽命:500萬次往復行程;保護等級:IP67
供電電壓:24VDC(脈沖型供電電壓:5~24VDC)
產品本體安裝:
安裝左右孔距離:非標
安裝前后孔距離:非標
安裝螺絲:M4
牽引螺絲安裝:M6
XL型:超大機座,客戶定制,行程大于11000mm以上
外殼尺寸:非標
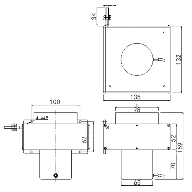
產品尺寸圖:(單位:mm)

以上為12-15米尺寸圖

以上為16-30米尺寸


















管理員
該內容暫無評論