資料下載:
WTN-8050盤式.pdf
產品特性:
? 電阻應變為敏感元件和集成電路構成的一體產品,
精度高,性能穩定
? 測量范圍:0-50-1000N.m可選
? 可測量正反兩個方向的扭力
? 為法蘭盤鏈接
? 適用于靜態扭矩的測量
? 采用德國技術和生產設備,完美替代進口
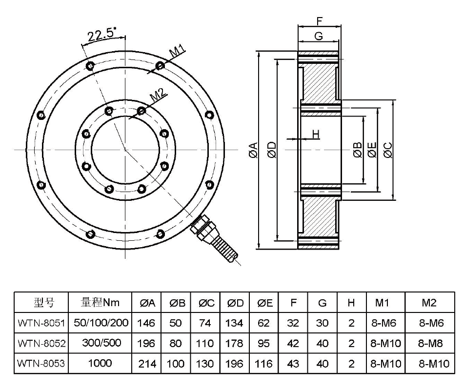
產品規格參數:

產品尺寸圖:(單位:mm)

咨詢熱線186 0209 4041




資料下載:
WTN-8050盤式.pdf
產品特性:
? 電阻應變為敏感元件和集成電路構成的一體產品,
精度高,性能穩定
? 測量范圍:0-50-1000N.m可選
? 可測量正反兩個方向的扭力
? 為法蘭盤鏈接
? 適用于靜態扭矩的測量
? 采用德國技術和生產設備,完美替代進口
產品規格參數:

產品尺寸圖:(單位:mm)

管理員
該內容暫無評論