概 述:
差動變壓器式位移傳感器(LVDT)可廣泛應用于航天航空,機械,建筑,紡織,鐵路,煤炭,冶金,塑料,化工以及科研院校等國民經濟各行各業,用來測量伸長,振動,物體厚度,膨脹等的高技術產品。
直流LVDT具有優良的性能,采用方便的單電源9-28V DC供電,電子電路密封在304不銹鋼金屬管內,可以在潮濕和灰塵等惡劣環境中工作,輸出信號為標準的可被計算機或PLC使用的0-5V或4-20mA輸出。
特 點:
外徑Φ20mm,不銹鋼304外殼,回彈式
直流單電源供電,內置高性能信號解調器
三線制電壓輸出0-5V或0-10V,二線制電流型輸出4-20mA
測量范圍由1mm-50mm,分辨率高,重復性好
無滑動觸點,使用壽命長
應用領域:
液壓缸定位
輥縫間隙測量
閥門位置檢測與控制
軸徑跳動檢測
車輛制動裝置磨損測量
性能參數:

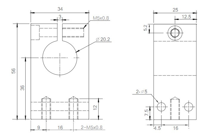
機械尺寸:


注意事項:出廠默認傳感器導桿向出線方向運動時輸出增大
安裝方法:

安裝夾具尺寸:


















管理員
該內容暫無評論