◆特性與應用:
剛性桿,軟管隔離,膜片隔離結構,能測量同一點的溫度和壓力,介質溫度達400℃,具有良好的穩定性和精度。應用于橡膠、塑料、化纖滌綸錦綸、聚脂、蒸汽等機械設備的高溫流體、氣體介質的壓力測量和控制
◆主要技術參數:
量程:0-1,5, 10,20,30,40,60-150MPa
綜合精度:±0.5%FS
輸 出:2.mV/V 3.33.mV/V 電壓0-5V 0-10V,電流4-20mA
溫度輸出:熱電偶J、K、E及熱電阻Pt100
供電電壓:傳感器10VDC(變送器24VDC)
校準信號:80%校準,零點與滿量程調節
膜片耐溫:350℃;
膜片材質:15-5PH & 17-4PH
長期穩定性:小于0.15%FS/年
電氣連接:6芯接插件/6pin
螺紋連接:1/2UNF 其它螺紋可定制
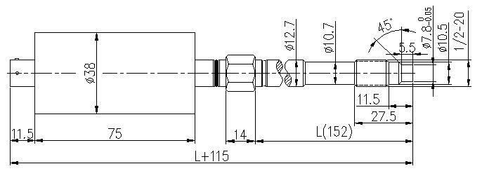
◆產品尺寸圖:(單位:mm)

















管理員
該內容暫無評論