資料下載:
WTN-1050E.pdf
產品特性:
電阻應變為敏感元件和集成電路構成的一體產品,
精度高,性能穩定
微小量程測量,0-0.1-5N.m可選
可測量正反兩個方向的扭力
兩端為軸鍵鏈接,安裝方便
最高轉速1800轉/分鐘
適用于動態扭矩檢測
特性與應用:

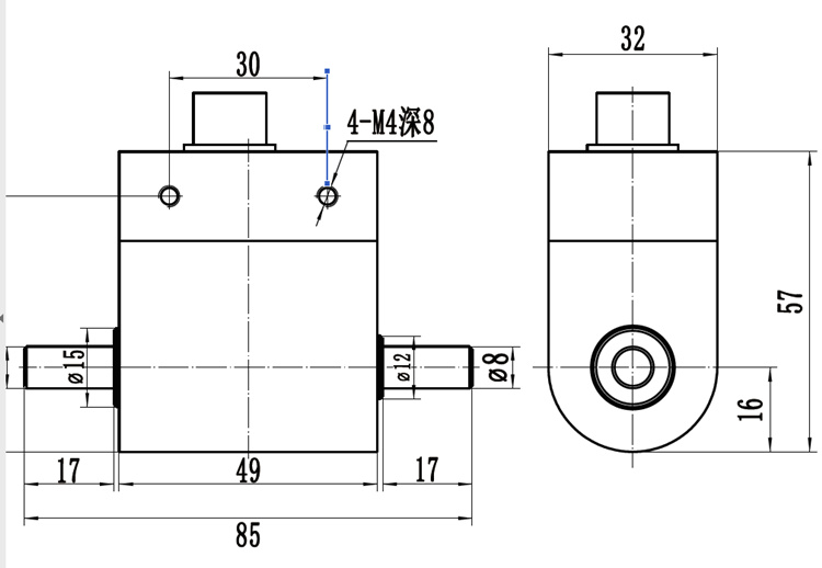
產品外形尺寸:


安裝示意圖:

咨詢熱線186 0209 4041










資料下載:
WTN-1050E.pdf
產品特性:
電阻應變為敏感元件和集成電路構成的一體產品,
精度高,性能穩定
微小量程測量,0-0.1-5N.m可選
可測量正反兩個方向的扭力
兩端為軸鍵鏈接,安裝方便
最高轉速1800轉/分鐘
適用于動態扭矩檢測
特性與應用:

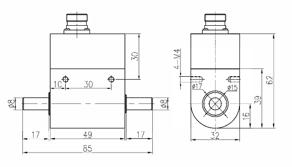
產品外形尺寸:


安裝示意圖:

管理員
該內容暫無評論