WTN-56靜態扭矩傳感器
資料下載:
WTN-56.pdf
產品特性:
電阻應變為敏感元件和集成電路構成的一體產品,精度高,性能穩定
體積外形小,適用于狹小、緊湊空間
低量程靜態扭矩測量,0-0.1-20N.m可選
可測量正反兩個方向的扭力
兩端為法蘭鏈接,安裝方便
采用德國技術和生產設備,完美替代進口
產品規格參數:

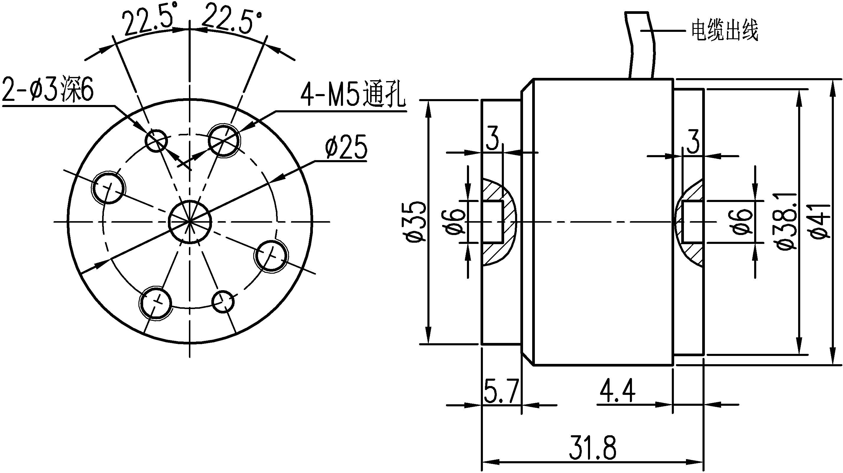
產品尺寸圖:(單位:mm)


咨詢熱線186 0209 4041












WTN-56靜態扭矩傳感器
資料下載:
WTN-56.pdf
產品特性:
電阻應變為敏感元件和集成電路構成的一體產品,精度高,性能穩定
體積外形小,適用于狹小、緊湊空間
低量程靜態扭矩測量,0-0.1-20N.m可選
可測量正反兩個方向的扭力
兩端為法蘭鏈接,安裝方便
采用德國技術和生產設備,完美替代進口
產品規格參數:

產品尺寸圖:(單位:mm)


管理員
該內容暫無評論